एमपीएससी नागरी सेवा राजपत्रित संयुक्त पूर्व परीक्षा 2025 🔬 सामान्य विज्ञान प्रश्न

एकूण प्रश्नसंख्या : 20 पृष्ठ क्रमांक - 1 / 2

सराव प्रश्न क्रमांक : 1 ते 10

Language :

English

1. एकाच पदार्थाच्या दोन रॉडच्या लांबी त्रिज्येचे गुणोत्तर 1:2 आणि 2:3 आहे. जर रॉडच्या दोन्ही टोकांमधील तापमानातील फरक समान असेल तर उष्णता प्रवाहाचे गुणोत्तर किती असेल ?

पर्यायी उत्तरे

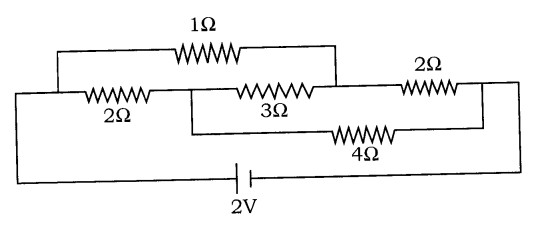
2. खालील दिलेल्या रोधकांच्या नेटवर्क (नेटवर्क ऑफ रेजिस्टन्सेस) मध्ये बॅटरीमधून ____ विद्युतधारा वाहील.

Image for question: खालील दिलेल्या रोधकांच्या नेटवर्क (नेटवर्क ऑफ रेजिस्टन्सेस) मध्ये बॅटरीमधून ____ विद्युतधारा वाहील.
पर्यायी उत्तरे

3. खालीलपैकी कोणती भौतिक राशी टकरीच्या दरम्यान अक्षय राहते ?

पर्यायी उत्तरे

4. खालीलपैकी कोणत्या निरीक्षणा द्वारे विश्व स्थिर नसून ते विस्तारीत आहे याबद्दल पुष्टी मिळते ?

पर्यायी उत्तरे

5. ____ या प्रक्रियेत न्युट्रीनो कण उत्सर्जित होतो.

पर्यायी उत्तरे

ADVERTISEMENT

6. तापमान वाढीचा परिणाम वायूच्या मितप्रवाहीपणा/ स्निग्धता (viscosity) वर कसा होतो ?

पर्यायी उत्तरे

7. जर संरक्षक पेशीमध्ये ____ घटक जमा झाले तर रंध्र उघडेल.

पर्यायी उत्तरे

8. सायट्रस (लिंबू) कॅन्कर हा रोग कोणत्या प्रकारच्या रोगजनकामुळे (Pathogen) होतो ?

पर्यायी उत्तरे

9. स्पायरोगायरा या शैवालासंबंधी खालीलपैकी कोणती विधाने अचूक आहेत ?

  • i. सामान्यतः त्याला तलावातील घाण असे म्हणतात.
  • ii. ते सागरी पाण्यात वाढते.
  • iii. त्याच्या पेशीमध्ये सर्पिलाकार हरितलवके असतात.
  • iv. ते झिग्नेमाटेसी कुटुंबातील आहे.
पर्यायी उत्तरे

10. स्क्लेराईड्सच्या श्रेणी ____ आहेत.
खालीलपैकी कोणते विधान / विधाने बरोबर आहेत ?

  • i. मॅक्रोस्क्लेराईड्स
  • ii. ओस्टिओस्क्लेराईड्स
  • iii. ट्रॅकिड्स
  • iv. ॲस्टेरोस्क्लेराईड्स
पर्यायी उत्तरे